Wollen wir akzeptieren, dass durch Korrosion Titanpartikel freigesetzt werden [1,16,32], die in der Folge zu einer Osteolyse und einem Verlust der Osseointegration führen können [17]? Wollen wir Unverträglichkeitsreaktionen gegenüber Titan [17,47,48] tolerieren? Ist es richtig, dass wir in der Mundhöhle wie in einer Mechanikerwerkstatt Metallteile verschrauben und sich in den Spalten dann Bakterien ansiedeln, die eine Periimplantitis verursachen können [57]?
Diese Fragen sind natürlich bewusst provokativ gestellt. Titan ist sicher eines der biologisch am wenigsten kritischen Metalle. Es werden jährlich medizinische und zahnmedizinische Titanimplantate in der Größenordnung von mehr als 1.000 Tonnen eingesetzt [1].
Ernste materialbedingte Probleme müssten sich also deutlich bemerkbar machen, sind aber in diesem Ausmaß nicht zu erkennen. Trotzdem, es ist eine Tatsache, dass Titanpartikel infolge einer Tribokorrosion, also einer oberflächlichen Degradation aufgrund von Reibung zweier Oberflächen gegeneinander, freigesetzt werden [16,32].
An Ohrimplantaten wurde sogar eine Anreicherung von Titanpartikeln im periimplantären Weichgewebe ohne einen solchen tribokorrosiven Prozess beobachtet, was bedeutet, dass es sich um eine Partikelfreisetzung aufgrund einer elektrochemischen Korrosion handeln muss [1]. Die Gegenwart von Titanpartikeln im Gewebe führt zu einer erhöhten Präsenz von Makrophagen [32], wodurch eine Entzündungsreaktion ausgelöst wird [31], die zu einem verstärkten Knochenabbau beitragen könnte. Titan ist eigentlich ein sehr unedles Metall.
Die Biokompatibilität rührt bei Titan von der Passivschicht her, die sich innerhalb von Millisekunden als nicht-stöchiometrische Oxidschicht auf die Oberfläche des metallischen Titans legt, sobald das Titan mit Sauerstoff in Kontakt kommt, was ja in unserer Umgebung immer der Fall ist. Diese Oxidschicht ist chemisch sehr stabil und verdeckt die metallische Oberfläche des Titans, sie passiviert sie. Wir kennen dies aus dem täglichen Leben vom Aluminium, einem sehr unedlen Metall, das zum Beispiel als Deckel für Joghurtbecher oder zum Verpacken von Schokolade verwendet wird und auch nur dank der passiven Oxidschicht lebensmitteltauglich ist.
J. Fischer, N. Rohr
J. Fischer, N. Rohr
J. Fischer, N. Rohr
In Zellkulturen wurde eine Aktivierung von Osteoklasten durch Titanionen nachgewiesen [11-14]. Dieser Mechanismus wäre eine plausible Erklärung für periimplantäre Osteolysen trotz ausgezeichneter Mundhygiene. Es würde auch erklären, weshalb zuweilen bei Versorgungen mit mehreren Implantaten nur selektiv ein Implantat von einem periimplantären Knochenabbau betroffen ist, während die anderen Implantate ein stabiles Knochenniveau aufweisen.
Es wäre dann eben dieses eine Implantat, das eine gegenüber den anderen Implantaten erhöhte Korrosionsneigung zeigt. Die Gegenwart von Titanionen im Gewebe ist auch Voraussetzung für eine Unverträglichkeitsreaktion, die wiederum einen Implantatverlust zur Folge haben kann [48]. Aber natürlich sind das Annahmen, die klinisch sehr schwer zu belegen sind.
1-teiliges Zirkonoxidimplantat – eine mögliche Alternative zum Titanimplantat?
Titan scheint also in der medizinischen Anwendung zumindest nicht so unkritisch zu sein wie bislang angenommen. Diese Erkenntnisse wurden auch von der U.S. Food & Drug Administration (FDA) aufgegriffen und in ihrer Zusammenstellung der bekannten biologischen Reaktionen gegen metallische Implantate erwähnt [54]. Es wird also deutlich, dass wir mittelfristig eine Alternative zum Titanimplantat benötigen.
Und was wäre die Alternative? Aus unserer Sicht ist es das 1-teilige Zirkonoxidimplantat (Abb. 2).
J. Fischer, N. Rohr
J. Fischer, N. Rohr
J. Fischer, N. Rohr
J. Fischer, N. Rohr
J. Fischer, N. Rohr
J. Fischer, N. Rohr
J. Fischer, N. Rohr
J. Fischer, N. Rohr
J. Fischer, N. Rohr
Zirkonoxid entsteht bei der Reaktion des Metalles Zirkonium mit Sauerstoff und gehört zur Gruppe der Oxidkeramiken. Zirkonoxid ist biokompatibel [22,34]. Nun kann man einwenden, dass man das von Titan auch gedacht hat.
Beim Zirkonoxid ist die Sachlage jedoch anders. Einerseits ist die chemische Bindung zwischen Zirkonium und Sauerstoff auch bei einem niedrigen pH sehr stabil und andererseits ist das Material vollständig durchoxidiert, es liegt also überhaupt kein metallisches Material vor. Deshalb besteht im Mundmilieu kein Korrosionsrisiko.
Für die meisten mag es sehr befremdlich und anachronistisch klingen, dass wir ein 1-teiliges Implantat propagieren, hat doch die Zweiteiligkeit in der Anwendung viele Vorteile und wird deshalb als absolut zwingend angesehen. Wir haben uns trotzdem das Ziel gesetzt, das 1-teilige Zirkonoxidimplantat in Design und Anwendung so zu optimieren, dass es eine breite klinische Akzeptanz findet, weil wir von dessen Vorteilen aus Patientensicht überzeugt sind. Bei einem 1-teiligen Implantat gibt es keine Nischen, die bakteriell besiedelt werden und auch keine tribokorrosive Belastung, bei der immer mit einer oberflächlichen Degradation des Werkstoffes und einer Partikelfreisetzung gerechnet werden muss.
Viele Fragen zur optimalen Gestaltung des 1-teiligen Zirkonoxidimplantates haben wir schon beantwortet, aber einige wichtige Entwicklungen stehen noch an, bei denen wir auch noch Unterstützung benötigen. Und es ist sicher, dass nicht alle klinischen Situationen mit diesem Implantat gelöst werden können. Bei multiplem Zahnverlust, Traumaoder Tumorpatienten wird ein 2-teiliges Implantat immer notwendig sein.
Für die in diesen Situationen erforderlichen komplexen Konstruktionen ist ein 2-teiliges metallisches Implantat aufgrund der mechanischen Eigenschaften in jedem Fall besser als ein keramisches Implantat. Das 1-teilige Zirkonoxidimplantat hat aber ein viel größeres Potential als generell angenommen, dies umso mehr, wenn die Prophylaxe weiter greift und Implantologie weitgehend nur noch Einzelzahnersatz bedeutet. Heute möchten wir Sie gerne mitnehmen auf eine Reise durch unsere Forschung.
Wir hoffen, dass einige von Ihnen sich für diese Versorgungsvariante begeistern lassen und uns helfen, unser Ziel schneller zu erreichen. Im vorliegenden 1. Teil unserer Beitragsserie werden wir vor allem auf klinische und biologische Erkenntnisse eingehen. In weiteren Teilen stellen wir dann unsere Untersuchungen zur optimalen Restauration, dem aus allen Untersuchungen abgeleiteten Implantatdesign und den zugehörigen Workflow vor.
Unser Fazit:
- Es gibt Hinweise darauf, dass Titan nicht uneingeschränkt biokompatibel ist.
- Es muss eine zuverlässige Alternative zum Ersatz von Titanimplantaten zur Verfügung stehen.
Klinische Langzeitdaten
Wirkliche Aussagen über die Eignung eines Implantates liefern nur klinische Studien. Es liegen wenige Langzeitdaten mit 1-teiligen Implantaten aus Zirkonoxid vor, dagegen keine zuverlässigen Daten mit den aktuell erhältlichen 2-teiligen Implantaten. Gut dokumentiert im Rahmen prospektiver klinischer Studien sind die 1-teiligen Implantate vom Typ Pure (Straumann, Basel, Schweiz) [9], Ziraldent (Metoxit, Thayngen, Schweiz; Vertrieb heute unter dem Produktnamen Fairwhite durch Fairimplant, Bönningstedt, Deutschland; im Folgenden immer als „Fairwhite“ bezeichnet) [29] sowie ceramic.implant (VITA, Bad Säckingen, Deutschland) [4].
Die Überlebensraten betragen für das Implantat Pure 97,5% nach 3 Jahren, für das Implantat Fairwhite 94,3% nach 5 Jahren und für das Implantat ceramic.implant 98,4% ebenfalls nach 5 Jahren. Ein 2-teiliges Zirkonoxidimplantat (ZV3, Zircon Vision, Wolfratshausen, Deutschland), das die individuelle Gestaltung des transmukosalen Teils erlaubt und dessen Abutment individuell aus einem glasfaserverstärkten Material geschliffen wird, zeigte in einer klinischen Studie mit 52 Patienten nach 2 Jahren eine Überlebensrate von 95,8% [6]. Allerdings wurden die Frühverluste bei 8 Patienten nicht berücksichtigt, sonst hätte die Überlebensrate nur 83,3% betragen.
Zudem wurden bei einigen Patienten 2 oder sogar 3 Implantate gesetzt, aber jeweils nur 1 in die Studie einbezogen. Das ist zwar legitim, es wäre aber informativ gewesen, wenn über den Erfolg der anderen Implantate auch berichtet worden wäre.
In zahlreichen Reviews wird bescheinigt, dass Zirkonoxidimplantate klinisch genauso erfolgreich sind wie Titanimplantate [2,15,20,21,33,35,49]. Wichtig ist aber, dass man sich die Ergebnisse einer klinischen Studie sehr genau im Detail anschaut, weil man viel mehr herauslesen kann als nur Erfolg oder Misserfolg und die Lage des periimplantären Knochenniveaus. Unsere Forschung baut im Wesentlichen auf den Erfahrungen mit dem ceramic.implant auf.
In einer 2-Zentren-Studie an der Klinik für Zahnärztliche Prothetik der Universität Freiburg sowie der Klinik für Rekonstruktive Zahnmedizin der Universität Zürich wurden wertvolle Daten erarbeitet. Im Folgenden wird diese Untersuchung als die klinische Studie „FR/ZH“ zitiert. Insgesamt wurden 71 Implantate bei 60 Patienten gesetzt, 49 Implantate für Einzelkronen und 22 Implantate für 11 Brücken.
Die Implantate wurden im üblichen chirurgischen Vorgehen inseriert und sofort mit einem Provisorium aus Polymethylmethacrylat (CAD-Temp, VITA) versorgt, wobei die Provisorien außer Okklusion geschliffen wurden und darauf geachtet wurde, dass approximal nur sehr schwache Kontakte bestanden (Abb. 3a bis e). Die definitive prothetische Versorgung erfolgte im Unterkiefer nach frühestens 2 Monaten, im Oberkiefer nach frühestens 4 Monaten. Die Restaurationen wurden aus verblendetem Zirkonoxid hergestellt (VITA YZ HT / VITA VM 9, VITA).
J. Fischer, N. Rohr
Nach einem Jahr konnten 67 Implantate [27], nach 3 Jahren 65 Implantate [5] und nach 5 Jahren 63 Implantate [4] nachkontrolliert werden. Es gab einen Frühverlust nach 5 Wochen.
Die Überlebensrate betrug wie oben bereits erwähnt nach 5 Jahren 98,4%. Die 7,5-Jahres-Daten mit unverändert stabilen klinischen Ergebnissen sind erhoben worden und die Veröffentlichung ist in Vorbereitung.
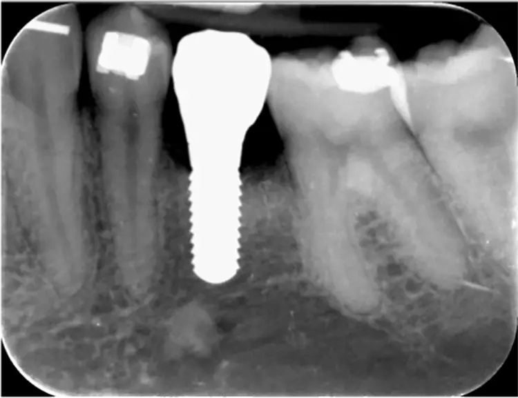
Mittlerweile ist ein Spätverlust aufgrund einer Implantatlockerung nach 9,5 Jahren aufgetreten. Eine Ursache für diesen Verlust ist leider nicht zu ermitteln, da das Implantat im Ausland entfernt wurde. Der Knochenverlust im Zeitraum zwischen Insertion und prothetischer Versorgung betrug im Mittel 0,7 mm (Abb. 4).
J. Fischer, N. Rohr
Dies wird als Remodelling infolge des chirurgischen Eingriffs gewertet. Im weiteren Verlauf war kein zusätzlicher Knochenverlust zu beobachten. Die Ergebnisse sind besonders unter dem Aspekt zu betrachten, dass die Implantate sofort nach der Implantation mit Provisorien versorgt wurden und somit bereits unmittelbar nach dem Setzen ? wenn auch eingeschränkt ? funktionell belastet wurden. Insgesamt sind dies trotz der beiden Verluste ausgezeichnete Ergebnisse und man darf sagen, dass dieser Implantattyp hervorragend osseointegriert.
Ähnliche Ergebnisse wurden auch mit den Implantaten Fairwhite [29] und Pure [9] erzielt. Über erhöhte Sondiertiefen oder Periimplantitis wurde in keiner dieser 3 Studien mit 1-teiligen Zirkonoxidimplantaten berichtet. Im Gegensatz dazu wurde in der oben bereits zitierten klinischen Studie mit dem 2-teiligen Implantat ZV3 im 2. Jahr der Beobachtungszeit bei 18 Patienten eine Periimplantitis diagnostiziert [6].
Aus der gleichen Studienpopulation, die anfänglich 52 Patienten umfasste und von denen 48 Patienten mit insgesamt 63 Implantaten nach 2 Jahren nachuntersucht werden konnten, wurde bei 34 Patienten (70,8% der nachuntersuchten Patienten) eine periimplantäre Mukositis oder eine Periimplantitis diagnostiziert [45]. Die Autoren konnten die Ursache für diese Beobachtungen nicht ermitteln, eine bakterielle Ursache wurde ausgeschlossen.
Unser Fazit:
- Die 1-teiligen Zirkonoxidimplantate ceramic.implant, Fairwhite und Pure zeigen in klinischen Studien hohe Überlebensraten.
- Das periimplantäre Knochenniveau blieb in diesen klinischen Studien nach einem leichten initialen Remodelling über den gesamten Beobachtungszeitraum konstant.
- Eine Periimplantitis wurde in diesen klinischen Studien nicht beobachtet.
Für den Langzeiterfolg eines Implantates sind neben der konsequenten Oralhygiene die dauerhafte Gewebeintegration, eine ausreichende Stabilität und die geeignete Restauration maßgebend. Der Herstellungsprozess muss eine wirtschaftliche Produktion ermöglichen, und aus diesen Anforderungen ergeben sich dann das geeignete Design und der passende Workflow.
Im Folgenden wollen wir unsere Forschungsergebnisse und Gedanken dazu vorstellen. Wir starten im vorliegenden Teil mit der Gewebeintegration, deren Erfolg von der schonenden Insertion, der Primärstabilität, der Osseointegration und der Mukosa-Adaptation abhängt.
Insertion und Primärstabilität
Die klinische Studie „FR/ZH“ hat gezeigt, dass die Insertion der Implantate problemlos möglich ist und immer eine ausreichende Primärstabilität sowie – bis auf einen Frühverlust – auch eine dauerhafte Osseointegration erzielt wurden. Damit hat sich das Aufbereitungsprotokoll bewährt.
Das Protokoll ist gekennzeichnet durch eine aufsteigende Bohrsequenz ab 2 mm in Abstufungen von 0,5 mm und verlangt ein Gewindeschneiden vor der Insertion des Implantates. Das maximal erreichte Drehmoment bei der Implantatinsertion muss im Bereich von 25 bis 35 Ncm liegen.
Ähnlich gute Ergebnisse wurden auch aus den Studien mit den Implantaten Fairwhite [29] und Pure [9] berichtet. In der Studie mit dem Implantat Fairwhite wurden bei 53 gesetzten Implantaten 3 Frühverluste beobachtet. Bei diesem System erfolgt die Aufbereitung in Schritten von 0,7 bis 0,8 mm, ein Gewindeschneiden ist nicht erforderlich.
In der Studie mit dem Implantat Pure gab es bei 44 Implantationen einen Frühverlust, die Aufbereitungssequenz ist durch Abstufungen von 0,6 bis 0,7 mm mit einem abschließenden optionalen Gewindeschneiden definiert. In allen 3 Fällen wurde also mit den spezifischen Aufbereitungsprotokollen eine gute Primärstabilität erreicht, die Abstufungen der Bohrer sind offensichtlich sinnvoll. Natürlich spielen noch andere Faktoren mit hinein, wie beispielsweise die Schneidwirkung und Umdrehungsgeschwindigkeiten der Bohrer, der Anpressdruck bei der Aufbereitung und schließlich die Passgenauigkeit zwischen Implantatbett und Implantat.
Unser Fazit:
- Die Aufbereitungssequenzen der Zirkonoxidimplantate ceramic.implant, Fairwhite und Pure führen zu einer guten Primärstabilität der Implantate.
Simultane Augmentation
Bei Knochendefekten ist eine Augmentation erforderlich. In der klinischen Studie „FR/ZH“ wurden in 11 Fällen kleinere simultane Augmentationen durchgeführt (vergl. Abb. 3). Die Augmentationen dürfen aufgrund der ermittelten Sondiertiefen und Röntgenbefunde als erfolgreich angesehen werden.
Vergleichbare Resultate lieferte die klinische Studie mit Fairwhite-Implantaten [29]. In jedem Fall muss der vom Hersteller vorgegebene Mindestwert für das Drehmoment bei der Implantatinsertion erreicht werden. Für die simultane Augmentation größerer Defekte liegen bisher nur Daten aus unserer Hundestudie vor [7].
Es wurden Bone-Level-Prototypen-Implantate auf der Basis des ceramic.implant verwendet. Nach deren Implantation wurde die bukkale Knochenwand entfernt. Die Knochendefekte wurden mit bovinem Knochenersatzmaterial (Bio-Oss, Geistlich Pharma, Wolhusen, Schweiz) verschiedener Darreichungsformen gefüllt, mit einer Kollagenmembran (Bio-Gide, Geistlich Pharma) abgedeckt und mit der Mukosa verschlossen.
Es gab nach 3 Monaten keine signifikanten Unterschiede zwischen den einzelnen Gruppen in Bezug auf den neugebildeten Knochen, das Knochenersatzmaterial und das nicht-mineralisierte Gewebe innerhalb des gesetzten Defektes. Augmentationsmaterial in Granulatform ? abgedeckt mit einer Kollagenmembran – hat für Zirkonoxidimplantate die besten Resultate im Hinblick auf den Erhalt der Knochenkontur geliefert. Die Resultate waren vergleichbar mit einer Kontrollgruppe, bei der Titanimplantate verwendet wurden.
In der klinischen Studie mit dem Implantat Pure [9] wurden notwendige Augmentationen in einem 2-zeitigen Vorgehen spätestens 3 Monate vor der Implantation durchgeführt. Auch dieses Vorgehen war erfolgreich. Klinische Erkenntnisse über das geeignete Vorgehen bei größeren Augmentationen oder der Durchführung eines Sinuslifts in Kombination mit der Implantation eines 1-teiligen Zirkonoxidimplantates liegen nicht vor.
Hier ist ein 2-zeitiges Vorgehen zu empfehlen, was für den Sinuslift den lateralen Zugang impliziert. Damit wird der Vorteil des internen Sinuslifts mit dem schonenden Zugang über die Implantatbohrung vergeben. Hier besteht also noch klinischer Optimierungsbedarf, und in dieser Situation ist das 1-teilige dem 2-teiligen Implantat im Moment eindeutig unterlegen.
Unser Fazit:
- Geringfügige simultane Augmentationen in Kombination mit den Implantaten ceramic.implant und Fairwhite sind klinisch erfolgreich.
- Bei größeren Augmentationen ist ein 2-zeitiges Vorgehen sinnvoll.
Unsere Forschungsfrage:
- Wie ist das effiziente Vorgehen bei der Implantation eines 2-teiligen Zirkonoxidimplantates in Kombination mit einem Sinuslift?
Intraossäre Oberfläche
Die dentale Implantologie ist geprägt von Titanimplantaten unterschiedlichster Oberflächentopografien. Es besteht Übereinkunft darin, dass die intraossäre Oberfläche eine mittlere Rauheit Ra im Bereich von 1 bis 2 ?m aufweisen sollte, um eine rasche und dauerhafte Osseointegration zu gewährleisten [55].
Über die geeignetste Topografie der Oberfläche kann keine Aussage getroffen werden, offensichtlich funktionieren Oberflächen mit unterschiedlichsten Morphologien [56]. Frühe intraossäre Zirkonoxidoberflächen wurden durch Sandstrahlen erzeugt. Aluminiumoxid ist härter als Zirkonoxid und kann deshalb verwendet werden, um die Oberfläche von Zirkonoxid in einem Strahlprozess aufzurauen. Es entsteht eine scharfkantige Topografie.
Hohe Verlustraten in der frühen Phase der Zirkonoxidimplantate werden auf diese Oberfläche zurückgeführt [38]. Für das ceramic.implant wurde die sandgestrahlte Oberfläche durch Behandlung mit hochkonzentrierter Flusssäure so modifiziert, dass die aus dem Strahlprozess resultierenden scharfen Kanten abgerundet wurden [19]. In der Osteoblastenkultur wird deutlich, dass sich die Zellen auf der abgestrahlten Oberfläche kaum ausbreiten und scheinbar nicht mit ihr in Kontakt treten wollen, während sich Zellen auf der Oberfläche des ceramic.implant über die Ausbildung von Filopodien anhaften (Abb. 5a und b) [8].
J. Fischer, N. Rohr
J. Fischer, N. Rohr
Aufgrund der Ergebnisse der „FR/ZH“-Studie darf gesagt werden, dass sich die Oberfläche auch klinisch bewährt hat. Der Ätzprozess ist allerdings ein kritischer Prozess, da der Umgang mit hochkonzentrierter Flusssäure für die Ausführenden mit einem erheblichen Gesundheitsrisiko verbunden ist. Es gibt weitere, ebenfalls teure, aber weniger risikoreiche Methoden, um eine vergleichbare Oberfläche zu erzeugen, beispielsweise durch Laserbearbeitung oder das Aufsintern von Partikeln (Abb. 6a bis e).
J. Fischer, N. Rohr
J. Fischer, N. Rohr
J. Fischer, N. Rohr
J. Fischer, N. Rohr
J. Fischer, N. Rohr
J. Fischer, N. Rohr
J. Fischer, N. Rohr
J. Fischer, N. Rohr
J. Fischer, N. Rohr
J. Fischer, N. Rohr
J. Fischer, N. Rohr
J. Fischer, N. Rohr
J. Fischer, N. Rohr
J. Fischer, N. Rohr
J. Fischer, N. Rohr
Von Titanimplantaten wird berichtet, dass beim Eindrehen Partikel von der rauen Oberfläche abgeschert werden [30], die im periimplantären Gewebe liegen bleiben oder sogar von Makrophagen zu regionalen Lymphknoten transportiert werden [17]. Die Zellaktivitäten von Osteoblasten und Fibroblasten in Zellkulturen werden durch derartige Partikel reduziert [46]. Betrachten wir die Oberflächen in der Abbildung 6, so müssen wir befürchten, dass dies auch bei Zirkonoxidimplantaten geschehen kann.
In Fibroblasten- und Osteoblastenkulturen haben Zirkonoxidpartikel eine den Titanpartikeln ähnliche, wenn auch etwas weniger ausgeprägte negative Wirkung auf die Zellviabilität. Deshalb, und um die Torsionsbelastung beim Eindrehen zu minimieren, wurde der Schritt des Gewindeschneidens, der bei Titanimplantaten nicht üblich ist, beim ceramic.implant eingeschoben. Trotzdem ist es unsere Aufgabe, nach alternativen Oberflächen zu suchen.
Wir haben aus diesem Grund gemeinsam mit dem Lehr- und Forschungsgebiet Zahnärztliche Werkstoffkunde und Biomaterialforschung an der Universität Aachen eine Beschichtung mit resorbierbarem Bioglas als Alternative zur Oberflächenbearbeitung entwickelt [28]. Allerdings hat diese Beschichtung in der Osteoblastenkultur keinen Vorteil gegenüber unbehandelten Zirkonoxidoberflächen gezeigt [42]. Zudem hat sich herausgestellt, dass der Produktionsprozess sehr aufwendig und teuer wird, sodass dieses Verfahren keine sinnvolle Lösung darstellt.
Stickstoffhaltige Verbindungen fördern die Anlagerung von Zellen an der Oberfläche [18]. Das gelingt beispielsweise durch die Beschichtung von Titanimplantaten mit plasmapolymerisiertem Allylamin [23,50]. Bei diesem Verfahren werden Allylamine (H2C=CH-CH2-NH2) mittels Plasma auf die Implantatoberflächen aufgebracht und polymerisieren zu einem Molekülnetzwerk, das die Oberfläche mit einer einmolekularen Schicht bedeckt.
Es zeigte sich in unseren Zellversuchen aber, dass eine Allylaminbeschichtung gegenüber reinen Zirkonoxidoberflächen keinen zusätzlichen Vorteil bietet, weshalb es nicht sinnvoll ist, diese aufwendige Technologie einzusetzen [41]. Osteoblasten scheinen eine höher benetzbare Oberfläche zu bevorzugen [44]. Die Benetzbarkeit einer Implantatoberfläche wird durch die Anlagerung von Kohlenstoffverbindungen, wie sie an Luft schnell und problemlos erfolgt, verschlechtert.
Die Kohlenstoffverunreinigung kann durch UV-Bestrahlung entfernt werden [3], was am besten unmittelbar vor der Implantation erfolgt. Wir haben zunächst den Effekt der UV-Belichtung auf das für das ceramic.implant verwendete Zirkonoxid überprüft [53]. Durch die UV-Behandlung ist ein sehr deutlicher Anstieg der Benetzbarkeit zu verzeichnen gewesen, ein Effekt auf die Phasenzusammensetzung des Zirkonoxids konnte nicht nachgewiesen werden.
Zum weiteren Verständnis sei hier angemerkt, dass Zirkonoxid kristallographisch eine sogenannte Polymorphie aufweist. Bei Raumtemperatur liegt eine monokline Kristallphase vor, die oberhalb einer Temperatur von etwa 1.173°C im immer noch festen Zustand in eine höher symmetrische tetragonale Kristallphase umklappt. Beim Abkühlen entsteht wieder die monokline Phase, der Vorgang ist also reversibel.
Durch den geringfügigen Ersatz von Zirkoniumatomen durch Yttriumatome wird die tetragonale Phase bis Raumtemperatur stabilisiert. Mechanische Spannung löst aber doch die Phasenumwandlung hin zur monoklinen Struktur aus. Dies ist mit einer Volumenvergrößerung von 3 bis 5% verbunden.
Wenn die Keramik überlastet ist und die ersten Mikrorisse entstehen, wird durch die Energie an der Rissspitze die Phasenumwandlung induziert und die Volumenvergrößerung führt ganz lokal zu einer inneren Druckspannung, die den Riss gleichsam zudrückt, sodass er nicht mehr wachsen kann. Darauf beruht die hohe Festigkeit des Zirkonoxids. Der Anteil der tetragonalen Phase sollte also möglichst hoch sein, um die größtmögliche Kapazität dieses Prinzips nutzen zu können.
Durch den Strahl- und Ätzprozess bei der Herstellung der Oberfläche wird ein hoher Anteil monokline Phase erzeugt. Um die Möglichkeit der Festigkeitssteigerung durch die Phasenumwandlung zu regenerieren, wird beim ceramic.implant als abschließender Produktionsprozess eine Hitzebehandlung bei 1.250 °C durchgeführt, bei der die nach dem Strahlprozess entstandene monokline Zirkonoxidphase wieder in den tetragonalen Ursprungszustand überführt wird [19].
Der tetragonale Anteil, der vor der Behandlung mit dem UV-Licht in den unbehandelten Proben bei etwa 95% lag, wurde durch die UV-Behandlung nicht verändert. Osteoblasten reagierten in einer Zellkultur mit einer verstärkten Ausbreitung sowie einer stärkeren Anheftung auf UV-behandelten Oberflächen [52]. Es war ein nicht signifikanter Trend zu einer schnelleren Differenzierung der Osteoblasten auf UV-behandelten Oberflächen erkennbar, ebenso war die Mineralisation erhöht, dies sogar signifikant.
Der Knochen-/Implantatkontakt war im Femur von Ratten nach 14 und 28 Tagen Einheilungszeit signifikant höher, wenn die Oberfläche zuvor mit UV-Licht bestrahlt wurde [10]. Die UV-Behandlung von Zirkonoxidoberflächen scheint also ein interessantes Verfahren zur Beschleunigung der Osseointegration zu sein. Es gibt bereits Geräte, mit denen Implantate vor der Implantation mit UV-Licht bestrahlt werden können, sodass ein solcher Prozess leicht umzusetzen ist.
Parallel zu den Ansätzen zur Optimierung der Oberfläche haben wir die Daten aus der klinischen Studie „FR/ZH“ noch einmal genauer analysiert. Das Implantat hat einen glatten transmukosalen Teil mit einer Höhe von 1,6 mm. Darunter liegt eine 0,4 mm breite Rille, die den Übergang vom glatten transmukosalen zum rauen intraossären Teil bildet (Abb. 7).
J. Fischer, N. Rohr
Das periimplantäre Knochenniveau blieb, wie oben beschrieben, nach dem initialen Remodelling stabil (vergl. Abb. 4). Überraschend fand sich nach 5 Jahren in beiden Zentren röntgenologisch ein identisches periimplantäres Knochenniveau, und das, obwohl die Implantate in Zürich im Mittel 0,6 mm tiefer gesetzt wurden als in Freiburg [39] (Abb. 8). Ebenso ist die Streuung der Werte in Freiburg und Zürich nach 5 Jahren gleich, die Verteilungskurven liegen jetzt praktisch übereinander.
J. Fischer, N. Rohr
Der Mittelwert von 1,8 mm entspricht ungefähr dem Literaturwert für die mittlere biologische Breite an Implantaten unter der Annahme, dass das bindegewebige Attachment und das Saumepithel jeweils eine Ausdehnung von etwa 1 mm haben [26] und der Sulkusboden in Höhe der Implantatschulter liegt. Etwas weniger als 40% der Knochenniveaus lagen im Bereich des glatten transmukosalen Bereichs, etwa 20% in der Rille am Übergang vom glatten transmukosalen zum rauen intraossären Bereich und gut 40% im rauen intraossären Bereich (Abb. 9).
J. Fischer, N. Rohr
Eine glatte Oberfläche scheint für die Knochenanlagerung also ebenfalls geeignet zu sein. Motiviert durch diese Ergebnisse haben wir daraufhin in Osteoblastenkulturen verschiedene glatte Oberflächen untersucht, die in einem Produktionsprozess einfach und reproduzierbar herzustellen sind. Dazu wurden im Vergleich zur Originaloberfläche des ceramic.implant gesinterte und polierte Oberflächen geprüft, dies jeweils ohne und mit einer abschließenden Hitzebehandlung, wie sie auch für die Originaloberfläche angewandt wird (Abb. 10).
J. Fischer, N. Rohr
J. Fischer, N. Rohr
J. Fischer, N. Rohr
J. Fischer, N. Rohr
J. Fischer, N. Rohr
Es hat sich gezeigt, dass die Zellausbreitung der Osteoblasten auf den glatten Oberflächen ausgeprägter ist als auf der rauen Oberfläche (Abb. 11 und 12) [40]. Einen spannenden Effekt haben wir bei unseren Untersuchungen mit den unterschiedlichen Oberflächen zusätzlich noch entdeckt: Die Osteoblasten bevorzugen die tetragonale Struktur gegenüber der monoklinen (Abb. 13). In unserer Untersuchung war die Zellreaktion also durch die Oberflächenrauheit und den tetragonalen Phasenanteil beeinflusst, ein Effekt der Benetzbarkeit auf die Zellreaktion war statistisch nicht nachweisbar.
J. Fischer, N. Rohr
J. Fischer, N. Rohr
J. Fischer, N. Rohr
J. Fischer, N. Rohr
J. Fischer, N. Rohr
J. Fischer, N. Rohr
J. Fischer, N. Rohr
Fraglich ist, wie sich eine glatte Oberfläche auf die Primärstabilität und die Geschwindigkeit der Osseointegration auswirkt. Ob die Art der Oberfläche überhaupt einen Einfluss auf die Primärstabilität hat, kann aus der Literatur nicht abgeleitet werden.
Scheinbar ist eine leichte Presspassung des Implantates wichtiger als die Topografie der Oberfläche [25]. In der Klinik muss dennoch überprüft werden, ob mit einer glatten Implantatoberfläche eine ausreichend rasche Osseointegration erfolgt. Tierversuche helfen hier nicht weiter, da sich aus den Ergebnissen von Tierversuchen keine Präferenz für eine bestimmte Oberfläche ableiten lässt [36].
Es scheint eher das Tiermodell zu sein, das die Ergebnisse bestimmt [37]. Basierend auf unseren Ergebnissen ist also zu prüfen, ob eine glatte Oberfläche ? gegebenenfalls in Kombination mit einer UV-Behandlung – in der Klinik mindestens genauso gut funktioniert wie die geprüfte raue Oberfläche des ceramic.implant.
Einen Aspekt wollen wir bei der Entwicklung auch nicht aus den Augen lassen: Zwar sind die klinischen Daten für die 1-teiligen Zirkonoxidimplantate ausgezeichnet, aber ein Implantat muss möglicherweise doch einmal wieder entfernt werden. Aufgrund der Sprödigkeit des Materials ist die Entfernung eines Zirkonoxidimplantates durch Herausdrehen nicht so einfach möglich wie bei Titanimplantaten, da eine erhöhte Bruchgefahr besteht.
Die Entfernung eines Implantates durch Umfräsen führt zu einem großen Knochendefekt und sollte möglichst vermieden werden. Wir versprechen uns von einer glatten Oberfläche eine deutliche Reduktion des Torsionswiderstandes und damit eine bessere Explantierbarkeit. Dieser Effekt ist schwierig zu überprüfen, da eine klinische Studie erhebliche ethische Fragen aufwerfen würde und Ergebnisse aus Tierversuchen wegen der Abhängigkeit vom verwendeten Tier [37] schwer zu interpretieren sind.
Unser Fazit:
- Die Oberflächen der Implantate ceramic.implant, Fairwhite und Pure sind geeignet, eine langfristig stabile Osseointegration des Implantates zu gewährleisten.
- Eine Knochenanlagerung erfolgt sowohl an der polierten als auch an der rauen Oberfläche des ceramic.implant.
- Eine Oberflächenkonditionierung mit UV-Licht hatte in der Zellkultur einen positiven Effekt auf die Differenzierung der Osteoblasten und die Mineralisation.
- Ergebnisse aus Zellkulturuntersuchungen deuten darauf hin, dass eine glatte Oberfläche des Zirkonoxids für die Osteoblastenanlagerung günstiger ist als eine raue Oberfläche.
- Ergebnisse aus Zellkulturuntersuchungen deuten darauf hin, dass ein hoher tetragonaler Anteil des Zirkonoxids für die Osteoblastenanlagerung günstig ist.
Unsere Forschungsfragen:
- Kann mit glatten Implantatoberflächen eine ausreichend schnelle und dauerhafte Osseointegration erreicht werden?
- Ist eine zusätzliche Oberflächenkonditionierung mit UV-Licht sinnvoll?
- Kann ein 1-teiliges Zirkonoxidimplantat mit einer glatten Oberfläche gewebeschonend explantiert werden?
Transmukosale Oberfläche
Der transmukosale Teil eines dentalen Implantates wird üblicherweise mittels Politur glatt gestaltet, um der Anlagerung von Mikroorganismen und der Plaque-Akkumulation entgegenzuwirken. In der Studie „FR/ZH“ setzte das bindegewebige Attachment am polierten Hals, an der Übergangszone zwischen glattem Hals und rauem intraossärem Anteil und am intraossären Anteil selbst an, dies in Analogie zur oben beschriebenen Lage des röntgenologischen Knochenniveaus. Das bedeutet, dass es für das bindegewebige Attachment keine Rolle spielt, ob eine glatte oder eine raue Oberfläche vorliegt.
Wir haben die Zellviabilität von humanen primären gingivalen Fibroblasten (HGF-1) auf den 4 schon für die Osteoblastenkulturen verwendeten Oberflächen (gesintert, gesintert und hitzebehandelt, poliert sowie poliert und hitzebehandelt) im Vergleich zur rauen Oberfläche geprüft. Es resultierte eine höhere Viabilität der Fibroblasten auf glatten Oberflächen im Vergleich zur rauen Oberfläche (Abb. 14a bis e und 15) [43].
J. Fischer, N. Rohr
J. Fischer, N. Rohr
J. Fischer, N. Rohr
J. Fischer, N. Rohr
J. Fischer, N. Rohr
J. Fischer, N. Rohr
Es besteht also kein Handlungsbedarf, die transmukosale Oberfläche kann in Zukunft weiterhin poliert, oder aber einfach im gesinterten Zustand belassen werden. Wenn sich die Konditionierung der Oberfläche mit UV-Licht als zusätzliche Option in der Klinik bewährt, dann muss für die bindegewebige Anlagerung geprüft werden, ob dies möglicherweise einen negativen Effekt hat.
Die Oberfläche des transmukosalen Anteils soll vor allem glatt gestaltet sein, um die Anlagerung von Bakterien zu vermeiden. Die Politur des transmukosalen Teils ist jedoch ein zusätzlicher Arbeitsschritt in der Produktion von Zirkonoxidimplantaten. Weil durch den Sinterprozess nach der Formgebung der Implantate bereits eine glatte Oberfläche erzeugt wird, haben wir in einem In-vitro-Modell (Streptococcus sanguinis, Fusobacterium nucleatum, Porphyromonas gingivalis) die Biofilmbildung auf gesinterten, polierten und hitzebehandelten Oberflächen geprüft, um zu evaluieren, ob die Oberfläche poliert sein muss, oder ob die gesinterte Oberfläche bereits glatt genug ist, um das Ziel der verminderten Bakterienadhäsion zu erreichen.
Die raue intraossäre Zirkonoxidoberfläche vom ceramic.implant diente als Vergleichsoberfläche. Es konnte gezeigt werden, dass die Biofilmbildung auf der rauen Oberfläche deutlich höher war als auf allen getesteten glatten Oberflächen. Im Versuch mit Probanden, welche die Materialien über 24 Stunden im Mund trugen, konnte zudem eine Korrelation zwischen der Menge des gebildeten Biofilms und der Oberflächenrauheit festgestellt werden [24].
Unser Fazit:
- Am glatten transmukosalen Teil der Implantate ceramic.implant, Fairwhite und Pure haben sich stabile periimplantäre Verhältnisse ausgebildet.
- Ergebnisse aus Zellkulturuntersuchungen deuten darauf hin, dass eine glatte Oberfläche des Zirkonoxids für die Fibroblastenanlagerung günstiger ist als eine raue Oberfläche.
- Eine gesinterte Oberfläche ist sowohl für die Fibroblastenanlagerung als auch für die Reduktion der Biofilmbildung ausreichend glatt.
Unsere Forschungsfrage:
- Welchen Effekt hat eine zusätzliche Oberflächenkonditionierung mit UV-Licht auf das bindegewebige Attachment?
Zusammenfassung
- In klinischen Studien wurde nachgewiesen, dass die 1-teiligen Zirkonoxidimplantate ceramic.implant, Fairwhite und Pure langfristig osseointegrieren.
- Zirkonoxid mit gerundeter Oberfläche und einer mittleren Oberflächenrauheit von 1 bis 2 ?m ist im Hinblick auf die Gewebeintegration eine gute Alternative zum Titan.
- Oberflächenbeschichtungen des Zirkonoxids mit Bioglas oder Polyallylamin haben in Osteoblastenkulturen keine nennenswerten Vorteile bezüglich der Zellanlagerung gezeigt, sodass der technische Aufwand nicht gerechtfertigt ist.
- Eine präoperative UV-Behandlung des Zirkonoxids führt zu einer Reduktion der Kohlenstoffverunreinigung an der Oberfläche, zu einer höheren Benetzbarkeit und in der Zellkultur zu einer Aktivierung der Osteoblasten.
- Osteoblasten bevorzugen in Zellkulturen glatte Zirkonoxidoberflächen gegenüber einer rauen Oberfläche.
- Glatte Oberflächen sind produktionstechnisch einfach und preiswert zu erzeugen.
- Eine klinische Studie muss belegen, ob Zirkonoxidimplantate mit glatter Oberfläche und gegebenenfalls einer UV-Konditionierung genauso schnell und dauerhaft osseointegrieren wie Zirkonoxidimplantate mit rauer Oberfläche.
Weiterführende Links
Bildquellen sofern nicht anders deklariert: Unternehmen, Quelle oder Autor/-in des Artikels
Entdecke CME Artikel






Keine Kommentare.